機械產品的失效一般可分為非斷裂失效與斷裂失效兩大類。非斷裂失效一般包括磨損失效、腐蝕失效、變形失效及功能退化失效等。
斷裂失效是機械產品最主要和最具危險性的失效,其分類比較復雜,一般有如下幾種:
(1)按斷裂機理分為滑移分離、韌窩斷裂、蠕變斷裂、解理與準解理斷裂、沿晶斷裂和疲勞斷裂;
(2)按斷裂路徑分為穿晶、沿晶和混晶斷裂;
(3)按斷裂性質分為韌性斷裂、脆性斷裂和疲勞斷裂。在失效分析實踐中大都采用這種分類法。
斷裂失效分析是從分析斷口的宏觀與微觀特征入手,確定斷裂失效模式,分析研究斷口形貌特征與材料組織和性能、零件的受力狀態以及環境條件(如溫度、介質等)等之間的關系,揭示斷裂失效機理、原因與規律,進而采取改進措施與預防對策。
韌性斷裂失效分析
韌性斷裂又叫延性斷裂和塑性斷裂,即零件斷裂之前,在斷裂部位出現較為明顯的塑性變形。在工程結構中,韌性斷裂一般表現為過載斷裂,即零件危險截面處所承受的實際應力超過了材料的屈服強度或強度極限而發生的斷裂。
工程材料的顯微結構復雜,特定的顯微結構在特定的外界條件(如載荷類型與大小,環境溫度與介質)下有特定的斷裂機理和微觀形貌特征。金屬零件韌性斷裂的機理主要是滑移分離和韌窩斷裂。
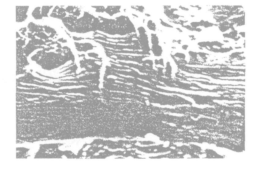
滑移分離:韌性斷裂最顯著的特征是伴有大量的塑性變形,而塑性變形的普遍機理是滑移,即在韌性斷裂前晶體產生大量的滑移。過量的滑移變形會出現滑移分離,其微觀形貌有滑移臺階、蛇形花樣和漣波等。

滑移線形貌 蛇形滑移花樣 漣波形貌
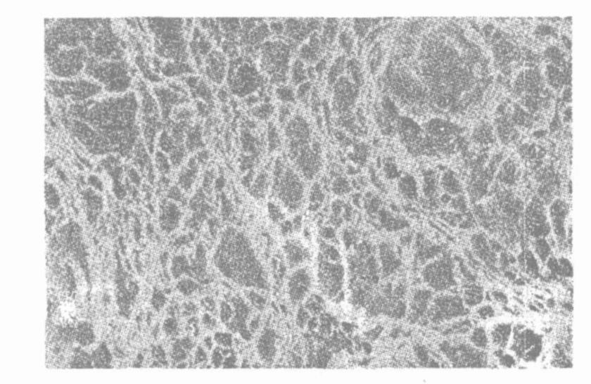
韌窩斷裂是金屬韌性斷裂的主要特征。韌窩又稱作迭波、孔坑、微孔或微坑等。韌窩是材料在微區范圍內塑性變形產生的顯微空洞,經形核、長大、聚集,最后相互連接導致斷裂后在斷口表面留下的痕跡。

韌窩形貌(SEM)
金屬零件韌性斷裂失效分析依據:
脆性斷裂失效分析
工程構件在很少或不出現宏觀塑性變形(一般按光滑拉伸試樣的ψ<5%)情況下發生的斷裂稱作脆性斷裂,因其斷裂應力低于材料的屈服強度,故又稱作低應力斷裂。
金屬構件脆性斷裂失效的表現形式主要有:
(1)由材料性質改變而引起的脆性斷裂,如蘭脆、回火脆、過熱與過燒致脆、不銹鋼的475℃脆和σ相脆性等。
(2)由環境溫度與介質引起的脆性斷裂,如冷脆、氫脆、應力腐蝕致脆、液體金屬致脆以及輻照致脆等。
(3)由加載速率與缺口效應引起的脆性斷裂,如高速致脆、應力集中與三應力狀態致脆等。
疲勞斷裂失效
工程構件在交變應力作用下,經一定循環周次后發生的斷裂稱作疲勞斷裂。
(1)多數工程構件承受的應力呈周期性變化稱為循環交變應力。如活塞式發動機的曲軸、傳動齒輪、渦輪發動機的主軸、渦輪盤與葉片、飛機螺旋槳以及各種軸承等。這些零件的失效,據統計60%~80%是屬于疲勞斷裂失效。
(2)疲勞破壞表現為突然斷裂,斷裂前無明顯變形。不用特殊探傷設備,無法檢測損傷痕跡。除定期檢查外,很難防范偶發性事故。
(3)造成疲勞破壞的循環交變應力一般低于材料的屈服極限,有的甚至低于彈性極限。
(4)零件的疲勞斷裂失效與材料的性能、質量、零件的形狀、尺寸、表面狀態、使用條件、外界環境等眾多因素有關。
(5)很大一部分工程構件承受彎曲或扭轉載荷,其應力分布是表面最大,故表面狀況(如切口、刀痕、粗糙度、氧化、腐蝕及脫碳等)對疲勞抗力有極大影響。

容大檢測實驗室

Copyright ? 2008-2020 江蘇容大材料腐蝕檢驗有限公司 版權所有 備案號: 蘇ICP備16054545號-1
蘇公網安備 32020502000190號 技術支持:迅誠科技